Zamek do drzwi szafy przemysłowejjest kluczowym elementem ochronnym szafy rozdzielczej, szafy komunikacyjnej, skrzynki sterującej i innego sprzętu, co jest bezpośrednio związane z bezpieczeństwem wewnętrznych elementów elektrycznych i stabilną pracą systemu.
Aby sprostać zróżnicowanym wymaganiom dotyczącym czasu dostawy i specyfikacji dla różnych projektów, nasza firma zawsze ma w magazynie pięć rodzajów powszechnie używanych zamków -Zamek z długim drążkiem, Blokada panelu, Blokada sterowania prętem, Blokada uchwytu,Obrotowa blokada języka. Jednocześnie obsługujemy dowolny niestandardowy zamek dostosowany według rysunków lub próbek, który doskonale nadaje się do wszelkiego rodzaju metalowych skrzynek rozdzielczych.
Zamek płaski to jeden z najpopularniejszych typów zamków do drzwi szaf przemysłowych, zarówno piękny, jak i łatwy w utrzymaniu. Nasza firma wprowadziła na rynek zamek płaski serii AB301, AB302, AB303, AB402, AB403, pod względem wytrzymałości konstrukcyjnej, skuteczności ochrony i wyczucia operacyjnego zróżnicowanej konstrukcji, może spełniać różne specyfikacje skrzynki rozdzielczej, wymagania instalacyjne w szafie sterowniczej.
| Wymiary | Numer produktu | |||||||
| L1 | L2 | L3 | B1 | B2 | Szare chromowanie | Szara farba w sprayu | Malowana proszkowo na kolor czarny | Waga (g) |
| 147 | 117 | 72 | 33 | 26.5 | AB301-1-1.2 | AB301-1-1.8 | AB301 | 370 |
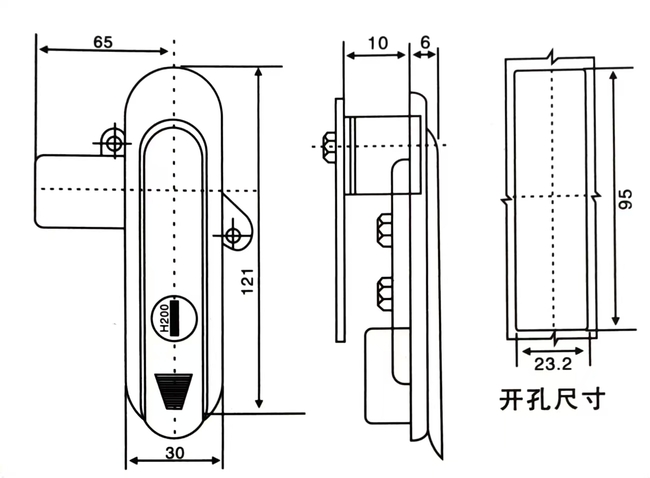
| 120.5 | 95.5 | 65 | 30 | 23.5 | AB301-2-1.2 | AB301-2-1.8 | AB302 | 290 |
| 87.5 | 62.5 | 65 | 28.5 | 23.5 | AB301-3-1.2 | AB301-3-1.8 | AB303 | 215 |
Główny materiał: stop cynku.
Obróbka powierzchniowa: jasny chrom, mat, czarny.
Funkcja i zastosowanie: Możliwość otwierania drzwi lewych i prawych, łatwa w użyciu, z funkcją uszczelniania i wodoodporności.
Główny materiał: stop cynku.
Obróbka powierzchniowa: jasny chrom, mat, czarny.
Funkcja i zastosowanie: Możliwość otwierania drzwi lewych i prawych, łatwa w użyciu, z funkcją uszczelniania i wodoodporności.
Materiał: korpus zamka ze stopu cynku, wał obrotowy, śruba ze stali ocynkowanej, płyta dociskowa.
Obróbka powierzchniowa: srebrnoszary nano spray.
Opis struktury: Obróć o 90 stopni, aby otworzyć lub zablokować.
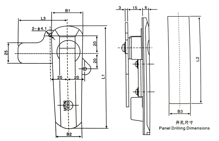
| MODEL | L1 | L2 | L3 | B1 | B2 | B3 |
| NOWOŚĆ AB402-A | 123 | 95.5 | 65 | 36.5 | 30 | 23.5 |
| NOWOŚĆ AB403-A | 91 | 62.5 | 65 | 33 | 28.5 | 23.5 |
| NOWOŚĆ AB401-A | 151 | 117 | 72 | 36 | 30 | 26.5 |
